Vyberte místo pro doručení

Výběr stránky země/oblasti může mít vliv na různé faktory, jako jsou cena, možnosti dopravy a dostupnost produktu.
Moje kontaktní osoba
HENNLICH s.r.o.

Českolipská 9

Litoměřice 412 01

+420 416 711 333
CZ(CS)

drylin® N - Nízkoprofilový lineární vodicí systém NK-01-27

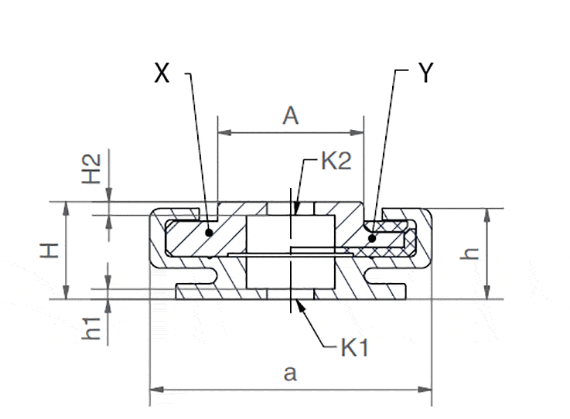
Objednávka č. Max. délky kolejnic a C4 A3 C5=C6 h h1 K1* ly lz Hmotnost kolejnice Cena / m  
  [L max.]       min. max.       [mm2] [mm2] [g/m]    
připraveno k přepravě za 3-4 pracovních dní NS-01-27 3000 27 60 0 20 20/49,5 9 1,1 M4 6524 588 290 885,57 CZK Pridat do nákupního košíku
připraveno k přepravě za 3-4 pracovních dní NS-01-27-UNGEBOHRT 3000 27 0 0 0 9 1,1 0 6524 588 290 805,94 CZK Pridat do nákupního košíku
připraveno k přepravě za 3-4 pracovních dní NS-01-27-AR 3000 27 60 0 20 20/49,5 9 1,1 M4 6524 588 290 1 062,89 CZK Pridat do nákupního košíku
Více o vybraném díle:
CAD CAD
Žádost o vzorky Žádost o vzorky
PDF PDF
Cenová poptávka Cenová poptávka
myCatalog myCatalog

Pro neprovrtané kolejnice uveďte prosím v poznámce "Neprovrtané".
* Pro šrouby s vnitřním šestihranem tenké s válcovou hlavou

Verze 01: vozík s otvorem skrz

Objednávka č. Označení Hmotnost vozíku    
    [g]    
připraveno k přepravě za 3-4 pracovních dní NW-01-27 Zacvakávací vozík 10,8 117,32 CZK Pridat do nákupního košíku
připraveno k přepravě za 3-4 pracovních dní NW-01-27-HT Zacvakávací vozík, teploty do 130°C 10,8 293,67 CZK Pridat do nákupního košíku
připraveno k přepravě za 3-4 pracovních dní NW-01-27-P Zacvakávací předem zatížený vozík 10,8 117,47 CZK Pridat do nákupního košíku
připraveno k přepravě za 3-4 pracovních dní NW-01-27-LLY Zacvakávací vozík, plovoucí ložisko ve směru y 10,8 117,47 CZK Pridat do nákupního košíku
připraveno k přepravě za 3-4 pracovních dní NW-01-27-LLZ Zacvakávací vozík, plovoucí ložisko ve směru z 10,8 117,47 CZK Pridat do nákupního košíku
připraveno k přepravě za 3-4 pracovních dní NW-01-27-LLYZ Zacvakávací vozík, plovoucí ložisko ve směrech y a z 10,8 117,47 CZK Pridat do nákupního košíku
Více o vybraném díle:
CAD CAD
Žádost o vzorky Žádost o vzorky
PDF PDF
Cenová poptávka Cenová poptávka
myCatalog myCatalog

Verze 01: Rozměry [mm] - vodicí vozíky

Díl. č. H A C C1 C2 A2 H2 K2 K3 K4 Spmin. DpØmin. Hmotnost
  ±0,35                       [g/m]
připraveno k přepravě za 3-4 pracovních dní NW-01-27 9,5 14 40 30 20 0 1,5 0 0 0 10,8
připraveno k přepravě za 3-4 pracovních dní NW-01-27-HT 9,5 14 40 30 20 0 1,5 0 10,8
připraveno k přepravě za 3-4 pracovních dní NW-01-27-P 9,5 14 40 30 20 0 1,5 0 0 10,8
připraveno k přepravě za 3-4 pracovních dní NW-01-27-LLY 9,5 14 40 30 20 0 1,5 0 0 10,8
připraveno k přepravě za 3-4 pracovních dní NW-01-27-LLZ 9,5 14 40 30 20 0 1,5 0 0 10,8
připraveno k přepravě za 3-4 pracovních dní NW-01-27-LLYZ 9,5 14 40 30 20 0 1,5 0 0 10,8
Více o vybraném díle:
CAD CAD
Žádost o vzorky Žádost o vzorky
PDF PDF
Cenová poptávka Cenová poptávka
myCatalog myCatalog

Verze 11: Vozík s průchozím otvorem, tvarované vstřikováním

Objednávka č. Označení Hmotnost vozíku    
    [g]    
připraveno k přepravě za 3-4 pracovních dní NW-11-27-80 Vozík s průchozím otvorem 25 235,01 CZK Pridat do nákupního košíku
připraveno k přepravě za 3-4 pracovních dní NW-11-27 Injekčně vstřikovaný vozík 10,8 117,32 CZK Pridat do nákupního košíku
připraveno k přepravě za 3-4 pracovních dní NW-11-27-LLY Injekčně vstřikovaný vozík, plovoucí ložisko ve směru y 10,8 117,47 CZK Pridat do nákupního košíku
připraveno k přepravě za 3-4 pracovních dní NW-11-27-LLZ Injekčně vstřikovaný vozík, plovoucí ložisko ve směru z 10,8 117,47 CZK Pridat do nákupního košíku
připraveno k přepravě za 3-4 pracovních dní NW-11-27-LLYZ Injekčně vstřikovaný vozík, plovoucí ložisko ve směrech y a z 10,8 117,47 CZK Pridat do nákupního košíku
Více o vybraném díle:
CAD CAD
Žádost o vzorky Žádost o vzorky
PDF PDF
Cenová poptávka Cenová poptávka
myCatalog myCatalog

Verze 11: Rozměry [mm] - vodicí vozíky

Díl. č. H A C C1 C2 A2 H2 K2 K3 K4 Spmin. DpØmin. Hmotnost
  ±0,35                       [g/m]
připraveno k přepravě za 3-4 pracovních dní NW-11-27-80 9,5 14 80 76 60 0 1,2 - 5 6,5 25
připraveno k přepravě za 3-4 pracovních dní NW-11-27 9,5 14 34 30 20 0 1,5 0 0 10,8
připraveno k přepravě za 3-4 pracovních dní NW-11-27-LLY 9,5 14 34 30 20 0 1,5 0 0 10,8
připraveno k přepravě za 3-4 pracovních dní NW-11-27-LLZ 9,5 14 34 30 20 0 1,5 0 0 10,8
připraveno k přepravě za 3-4 pracovních dní NW-11-27-LLYZ 9,5 14 34 30 20 0 1,5 0 0 10,8
Více o vybraném díle:
CAD CAD
Žádost o vzorky Žádost o vzorky
PDF PDF
Cenová poptávka Cenová poptávka
myCatalog myCatalog

Objednávka kompletního systému

Konfigurace v několika krocích:

1. Výběr počtu vozíků.
2. Výběr typu vozíku.l
3. Zadání délky kolejnice v mm
4. Výběr verze vozíku.
5.

Nápověda:

Podrobné informace naleznete níže ve výkresech a na níže uvedených stránkách. Můžete získat přesné specifikace verzí s plovoucím ložiskem v rámci pravidel návrhu.
1

Bez plovoucího ložiska

2

Plovoucí ložisko ve směru z

3

Plovoucí ložisko ve směru y

4

Plovoucí ložisko ve směru yz

drylin® NK - kompletní sada

Krok 1

Zadejte požadovaný počet vozíků.

technical drawing
Počet vozíků:

X = Verze: jednodílná
Y = Verze: vícedílná

připraveno k přepravě za 3-4 pracovních dní

Termíny "Apiro", "AutoChain", "CFRIP", "chainflex", "chainge", "řetězy pro jeřáby", "ConProtect", "cradle-chain", "CTD", "drygear", "drylin", "dryspin", "dry-tech", "dryway", "easy chain", "e-chain", "e-chain systems", quot;e-ketten", "e-kettensysteme", "e-loop", "energy chain", "energy chain systems", "enjoyneering", "e-skin", "e-spool", "fixflex", "flizz", "i.Cee", "ibow", "igear", "iglidur", "igubal", "igumid", "igus", "igus zlepšuje, co se hýbe", 73quot;igus:", "igusGO", "igutex", "iguverse", "iguversum", "kineKIT", "kopla", "manus", "motion plastics", "motion polymers", "motionary", "plasty pro delší životnost", "print2mold", "Rawbot", "RBTX", "readycable", "readychain", "ReBeL" , "ReCyycle", "reguse", "robolink", "Rohbot", "savfe", "speedigus", "superwise", "take the dryway", "tribofilament", "tribotape", "triflex", "twisterchain", "když se hýbe, igus zlepšuje", "xirodur", "xiros" a "ano" jsou zákonem chráněné ochranné známky společnosti igus® GmbH/kolín nad Rýnem ve Spolkové republice Německo a případně v některých zahraničních zemích. Jedná se o neúplný seznam ochranných známek (např. přihlášky ochranných známek nebo registrované ochranné známky) společnosti igus GmbH nebo přidružených společností igus v Německu, Evropské unii, USA a/nebo jiných zemích či jurisdikcích.

Společnost igus® GmbH upozorňuje na to, že neprodává žádné produkty společností Allen Bradley, B&R, Baumüller, Beckhoff, Lahr, Control Techniques, Danaher Motion, ELAU, FAGOR, FANUC, Festo, Heidenhain, Jetter, Lenze, LinMot, LTi DRiVES, Mitsubishi, NUM, Parker, Bosch Rexroth, SEW, Siemens, Stöber ani žádných jiných výrobců pohonů uvedených na tomto webu. Produkty nabízené společností igus® jsou stejné jako produkty společnosti igus® GmbH