igus-icon-lupe
igus-icon-lupe
igus-icon-lupe
1 of 3
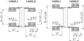
Inner height [Hi]
21 mm
Max. cable diameter
18 mm

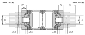
Opening principle
otevírání přes vnější poloměr
Inner width [Bi]
15 mm
Bend radius [R]
38 mm
Application
igus-icon-checkUnsupported
Gliding
Hanging
Energy chain
igus-icon-lieferzeit1500.015.038.0.ESD1538
