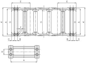
1. žlábkové boční díly, hliník, 2 m
2. kluzná tyč, plast, 2 m
3. kluzné pásy*, boční, 2 m
4. Spodní svěrka, hliník
5. C profil, galvanizovaná ocel
6. Šroub M6 x 20
7. Posuvná matice M8
8. propojovací konektor „základní", plast
10. možnost: tlumicí profil, gumový
* na požádání bez kluzných pásů
Hliníkový žlábek „SuperTrough" - standard igus®
Hliníkový „SuperTrough" je modulový systém vodicího žlábku pro dlouhé pojezdy (když řetězy e-chain® klouzají na sobě, viz nákres). Hliníkový žlábek „SuperTrough" je k dispozici s levnými „základním verzemi" a lze ho vylepšit pro aplikace do těžkého provozu. Z důvodu univerzálního použití ho firma igus® doporučuje jako nový standardní žlábkový systém.
- Četné upevňovací možnosti s objímkami pro velké zatížení, spodními svěrkami a propojovacími konektory.
- Bočně upevňované kluzné pásy po ochranu při vysoké rychlosti.
- Korozivzdornost zajištěná hliníkem odolným proti mořské vodě.
- Flexibilní montáž - připojení k podpůrné podlaze, nezávisí na délce profilu a umístění rozhraní části žlabu
Pro vybraný řetěz není vodicí žlab k dispozici.