Series 40

Discontinued Model
40.05.135.0 product image
igus-icon-lupe
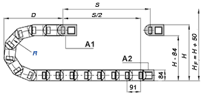
Inner height [Hi]
Inner height [Hi]
56 mm
Max. cable diameter
Max. cable diameter
50 mm
Opening principle
Opening principle
otevírání na obou stranách
Inner width [Bi]
Inner width [Bi]
50 mm
Bend radius [R]
Bend radius [R]
135 mm
Co pro vás můžeme vylepšit? Dejte nám zpětnou vazbu.

O společnosti igus®

Služby

Kontakt

Naše platební metody

  • Faktura

    Sledujte nás

      Buďte v obraze a zaregistrujte se k odběru newsletteru igus® zde.

      igus-icon-globeJazyk:čeština|Země:Česká republika

      Termíny "Apiro", "AutoChain", "CFRIP", "chainflex", "chainge", "řetězy pro jeřáby", "ConProtect", "cradle-chain", "CTD", "drygear", "drylin", "dryspin", "dry-tech", "dryway", "easy chain", "e-chain", "e-chain systems", quot;e-ketten", "e-kettensysteme", "e-loop", "energy chain", "energy chain systems", "enjoyneering", "e-skin", "e-spool", "fixflex", "flizz", "i.Cee", "ibow", "igear", "iglidur", "igubal", "igumid", "igus", "igus zlepšuje, co se hýbe", 73quot;igus:", "igusGO", "igutex", "iguverse", "iguversum", "kineKIT", "kopla", "manus", "motion plastics", "motion polymers", "motionary", "plasty pro delší životnost", "print2mold", "Rawbot", "RBTX", "readycable", "readychain", "ReBeL" , "ReCyycle", "reguse", "robolink", "Rohbot", "savfe", "speedigus", "superwise", "take the dryway", "tribofilament", "tribotape", "triflex", "twisterchain", "když se hýbe, igus zlepšuje", "xirodur", "xiros" a "ano" jsou zákonem chráněné ochranné známky společnosti igus® SE & Co. KG/kolín nad Rýnem ve Spolkové republice Německo a případně v některých zahraničních zemích. Jedná se o neúplný seznam ochranných známek (např. přihlášky ochranných známek nebo registrované ochranné známky) společnosti igus SE & Co. KG nebo přidružených společností igus v Německu, Evropské unii, USA a/nebo jiných zemích či jurisdikcích.

      Společnost igus® SE & Co. KG upozorňuje na to, že neprodává žádné produkty společností Allen Bradley, B&R, Baumüller, Beckhoff, Lahr, Control Techniques, Danaher Motion, ELAU, FAGOR, FANUC, Festo, Heidenhain, Jetter, Lenze, LinMot, LTi DRiVES, Mitsubishi, NUM, Parker, Bosch Rexroth, SEW, Siemens, Stöber ani žádných jiných výrobců pohonů uvedených na tomto webu. Produkty nabízené společností igus® jsou stejné jako produkty společnosti igus® SE & Co. KG